Экскаватор-погрузчик JCB оснащается дизельным двигателем внутреннего сгорания. Для работы машины требуется дизельное топливо. В отличие от машин с бензиновым двигателем, которые можно заправлять одинаковым топливом в течение всего года, дизельные ДВС требовательны к сезонности. Зимнее и летнее топливо отличаются по составу и характеристикам, поэтому использовать летний дизель при минусовой температуре окружающей среды категорически запрещается. Важно и качество солярки. Учитывайте, что использование топлива низкого качества, как правило, приводит к повреждению элементов топливной системы и выводит из строя такие важные детали, как топливные фильтры и топливный насос.
Процесс дозаправки экскаватора-погрузчика JCB
- Чтобы определить количество топлива, оставшегося в топливном баке, необходимо следить за соответствующим индикатором на мониторе, который расположен на панели управления в операторской кабине. Если индикатор загорелся красным светом, это означает, что количество топлива понизилось до критического уровня, и необходимо как можно скорее заправить машину.
- Заправка экскаватора-погрузчика осуществляется через топливную горловину, обозначенную на рисунке буквой A.

- Заправлять экскаватор-погрузчик JCB рекомендуется вечером, в конце каждой смены. Во-первых, это позволит сэкономить время утром и сразу же приступить к работе. Во-вторых, если оставить бак на ночь пустым, внутри него могут конденсироваться водяные пары. Конденсат оседает каплями воды, которая смешивается с топливом в резервуаре, а затем проникает в топливную систему. Это приводит к тому, что топливные фильтры грубой и тонкой очистки быстрее засоряются и приходят в негодность, а в конечном итоге вода попадает в двигатель и может стать причиной его поломки.
- Запирайте пробку заливной горловины топливного бака на ключ после заправки. Это поможет избежать несанкционированный доступ в бак и кражу топлива.
Как пользоваться дозаправочным насосом

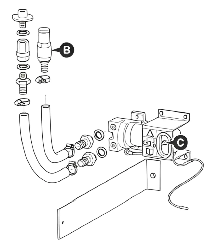
- Снимите крышку заливной горловины топливного бака (см. A на рисунке) и выпустите воздух из резервуара.
- Осмотрите конец всасывающего шланга дозаправочного насоса (см. B на рисунке). Убедитесь, что он чистый, то есть без следов масла, пыли, грязи, воды. Если вы обнаружили, что всасывающий шланг загрязнён, его следует тщательно промыть, погрузив в небольшую ёмкость с чистым топливом.
- Вставьте всасывающий конец шланга дозаправочного насоса B в ёмкость с подходящим дизельным топливом (бочку, канистру и т. д.).
- Используйте выключатель (см. C на рисунке), чтобы запустить работу дозаправочного насоса. Он автоматически начнёт закачивать топливо из ёмкости в топливный бак, как только вы поднимете выключатель вверх.
- Не оставляйте насос без присмотра, контролируйте процесс, отслеживая уровень топлива в баке, чтобы избежать его случайного переполнения. Определить количество топлива в резервуаре можно при помощи прибора, установленного сбоку от бака.
- Когда бак заполнится, опустите выключатель вниз, переведя его в исходное положение. Дозаправочный насос сразу же прекратит свою работу.
Скорость заправки экскаватора-погрузчика дозаправочным насосом составляет около 30 литров в минуту.
Меры безопасности при дозаправке
- Никогда не используйте бензин на дизельном двигателе! Использование неподходящего топлива приводит к поломкам элементов топливной системы.
- Запрещается смешивать бензин с дизельным топливом и добавлять его в любых количествах. Бензин легче дизеля, в случае смешивания топлива при остановке двигателя он неизбежно поднимется вверх, образуя легковоспламеняющиеся пары.
- Запрещено использование огня и курение рядом с открытым топливным баком во время заправки машины, а также во время ремонта или обслуживания двигателя. Дизельное топливо, как и бензин, легко воспламеняется, попадание одной случайной искры может привести к непоправимым последствиям.
- Во время заправки внимательно следите за тем, чтобы заправочный пистолет не повредил сетчатый фильтр, установленный в заливной горловине.
- Никогда не заправляйте экскаватор-погрузчик, если двигатель работает. Всегда сначала заглушите мотор и выньте ключ зажигания.
Соблюдение мер предосторожности обеспечивает безопасность оператора и окружающих как в процессе заправки, так и во время эксплуатации рабочей машины. Нарушение правил может привести к пожару, травмам и гибели людей. Не пренебрегайте рекомендациями производителя и соблюдайте все правила техники безопасности неукоснительно!