Перед началом работы и особенно перед тем, как начать двигаться по автомобильной дороге, стоит убедиться в нескольких моментах:
- надежности блокировки стрелы;
- качественном закреплении механизма поворота стрелы при помощи специальных устройств.
Ежедневная проверка этих нюансов даст возможность вовремя определить любые неисправности в блокирующих устройствах. В случае их повреждения или выхода из строя, следует обратиться к дистрибьюторам JCB, что позволит избежать аварийных ситуаций.
Прежде всего, приводится в действие механизм блокировки поворота стрелы, а затем устанавливается блокировка стрелы.
Что необходимо сделать для правильной блокировки
Для того чтобы заблокировать стрелу, следует провести ряд мероприятий:
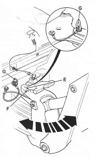
- устанавливается лопата прямо за машиной, стрела экскаватора опускается на землю;
- стоит убедиться, что блокирующее устройство находится в верхнем положении, если это не так, то необходимо поднять рычаг для приведения устройства в нужное положение;
- затем полностью втянуть шток гидроцилиндра стрелы.

Для блокировки механизма поворота стрелы также следует провести ряд мероприятий:
- установить обратную лопату в необходимое положение;
- отверстие в опорной вилке E должно совпадать с отверстием в главной раме F;
- извлечь блокировочный палец из положения хранения и вставить его в оба отверстия.
Выключив двигатель, не стоит пытаться установить или удалить штифт блокиратора, находясь в кабине. Такие попытки могут привести к непроизвольному движению рычагов управления механизмами, так как оператор будет находиться прямо над ними и может задеть их. Неуправляемое движение оборудования может привести к травмированию самого оператора или тех, кто находится поблизости.
Для разъединения блокирующего устройства механизма поворота стрелы необходимо:
- выключить двигатель;
- вытащить блокировочный палец G из отверстий и зафиксировать его в положении хранения.
Техника безопасности
Управлять механизмами следует только тогда, когда оператор находится внутри кабины. Любые манипуляции рычагами из положения вне кабины могут привести к травмированию как самого оператора, так и тех, кто находится в непосредственной близости.
Если для выполнения работ задействовано двое операторов, все манипуляции механизмами должен проводить более опытный работник.