Клапан приоритетный 332/G3778 JCB
- Без первоначального взноса
- Без переплаты
- Срок 3, 4 и 6 месяцев
- До 500 000 ₽
Клапан приоритетный 332/G3778 JCB: высокоэффективная гидравлическая логистика спецтехники
Клапан приоритетный JCB с артикулом 332/G3778 — важнейший компонент гидросистемы, который отвечает за правильное распределение давления в гидравлических контурах. Этот узел устанавливается в критичных точках рам и шасси, обеспечивая приоритетное снабжение рулевого управления и других активных рабочих органов высоконагруженных машин JCB. Рассмотрим компетентно его функции, конструкцию и советы по использованию на основании инженерной схемы.
Особенности конструкции и зоны применения
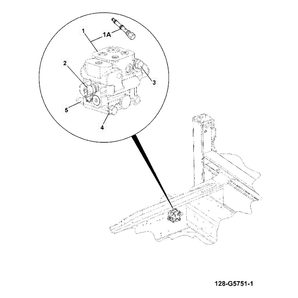
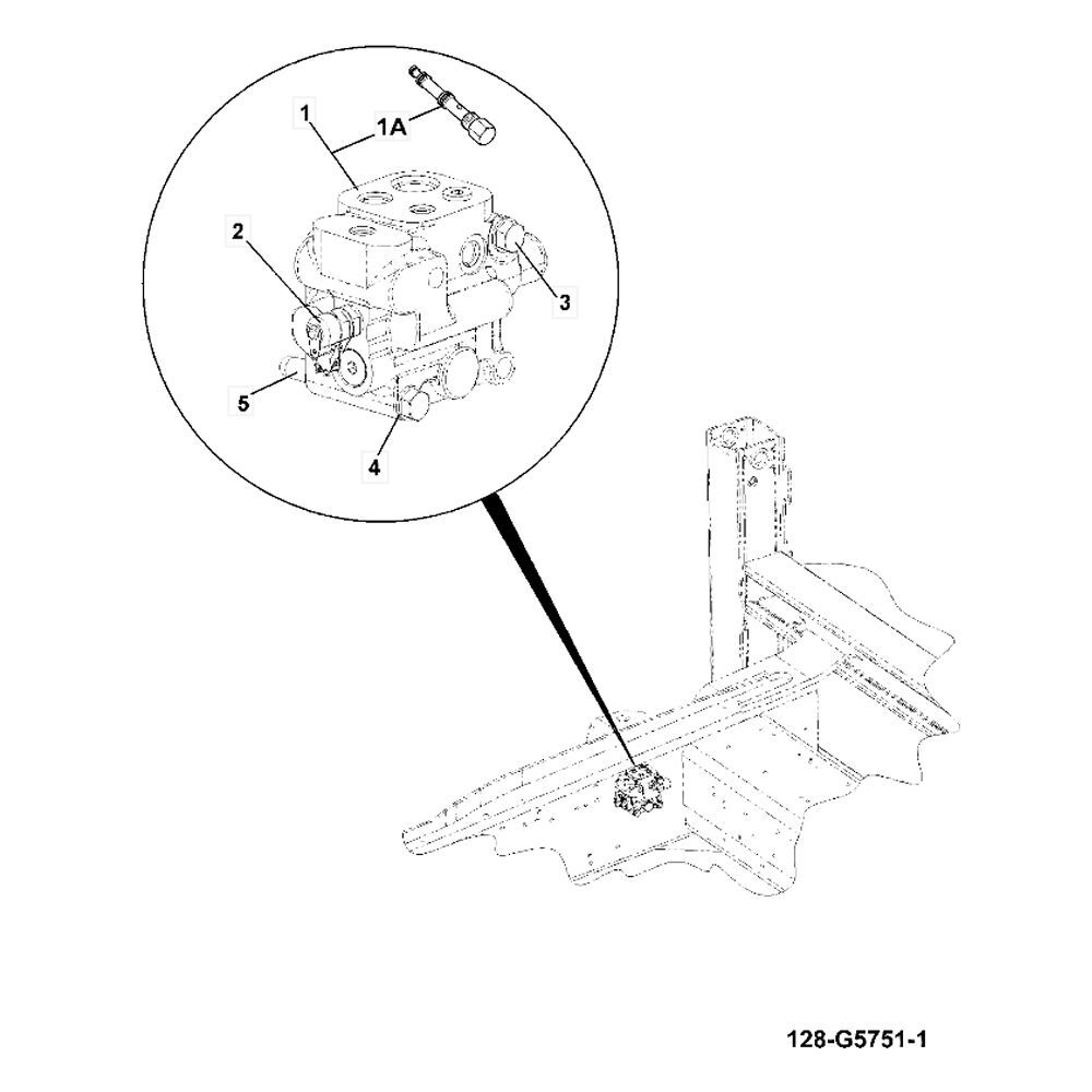
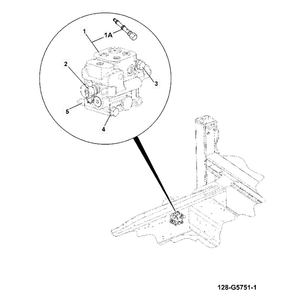
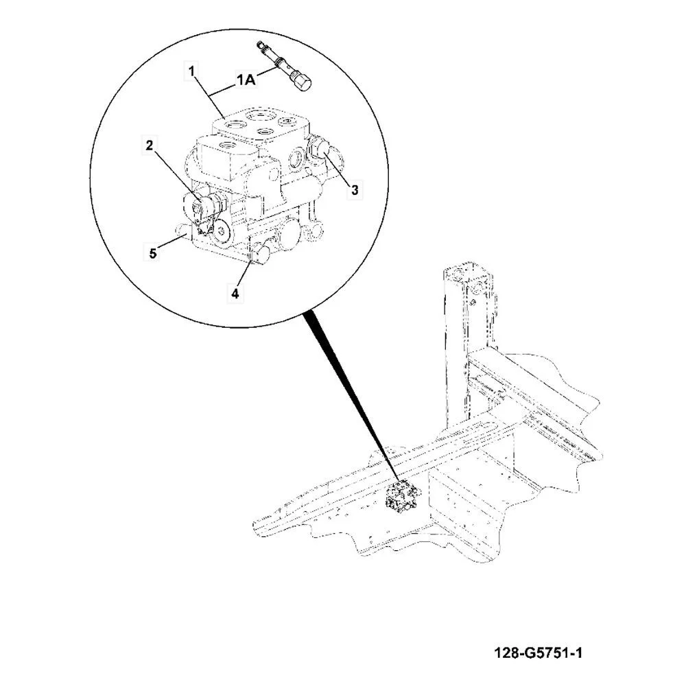
Клапан приоритетный/зарядки интегрируется между насосом и распределителями гидросистемы — так достигается устойчивое давление и бесперебойная подача рабочей жидкости на рулевое управление или другие исполнительные механизмы. На схеме отчетливо показано, что деталь монтируется на раму машины, а также доступна отдельная сменная картриджа (1A), которая позволяет выполнять сервис без снятия всей сборки.
Корпус узла выполнен из высокопрочного сплава, рассчитан на многоразовые разборки и резкое изменение перепада давления. В составе есть тестовый штуцер для проверки давления и помощь с диагностикой в полевых условиях.
Инженерные преимущества узла
- Особый приоритет на рулевое управление: В любых ситуациях агрегат гарантирует стабильную обратную связь водителю даже при одновременной работе дополнительных гидроопераций.
- Высокая устойчивость к засорению и перепадам давления — минимальное вмешательство в работу при загрязнении жидкости, простая прочистка фильтров.
- Минимальное время отклика на изменение расхода и давления, исключение пробуксовок для техники, занятой на непрерывной погрузке и маневрах.
- Надежность даже при постоянных воздействиях вибраций и высоких нагрузках.
- Возможность быстрой локальной диагностики через тест-порт (давление можно проверить прямо на кране без разбора узла).
Практика эксплуатации, обслуживания и диагностики
Ключевые задачи при обслуживании приоритетного клапана:
- Регулярная проверка герметичности всех соединений (штуцеры, болты, прокладки).
- Постоянный контроль давления через диагностический порт — предотвращает перегруз системы.
- Плановая замена картриджа либо внутренних элементов при росте давления "на холостом ходу" или при появлении провалов мощности в рулевом управлении.
- Использование оригинальных крепежей и прокладок для исключения течей.
На практике опытные механики оценивают работу клапана по следующим признакам:
- Потеря плавности управления рулем
- Возникающие течи или нестабильность рабочих органов
- Посторонние шумы, связанные с недостаточным давлением
Советы по выбору и замене приоритетного клапана
- Перед заменой или снятием детали убедитесь в идентичности артикулов, актуальности модели узла и картриджа.
- При установке используйте рекомендованные JCB крепежные элементы по моменту затяжки.
- После монтажа обязательно выполняется продувка и прокачка системы для удаления воздуха.
- Регулярно отслеживайте уровень и чистоту гидравлической жидкости с учетом рекомендуемого интервала смены производителя машины.
Таблица составных частей с изображения
| Ref | Part No | Description | QTY | Описание |
|---|---|---|---|---|
| A | Installation valve steer priority/charge | Installation valve steer priority/charge | 1 | Installation valve steer priority/charge Узел установки клапана приоритета/зарядки рулевого |
| 1 | 332/G3778 | Valve steer priority/charge | 1 | 332/G3778 Клапан приоритетный рулевого управления/зарядки |
| 1A | 336/B9042 | Cartridge Cartridge Priority V | 1 | 336/B9042 Картридж приоритетного клапана |
| 2 | 45/908000 | Adaptor Pressure Test Point 9/16-18UNF Male | 1 | 45/908000 Адаптер диагностического порта давления 9/16-18UNF Male |
| 3 | 1315/3420Z | Bolt (M10 X 100) | 2 | 1315/3420Z Болт М10 x 100 |
| 4 | 1420/0008Z | Washer (M10) | 2 | 1420/0008Z Шайба М10 |
| 5 | 826/01105 | Nut M10 | 2 | 826/01105 Гайка М10 |
Заключение
Клапан приоритетный 332/G3778 JCB — это защита бесперебойной работы и максимальной отзывчивости вашей техники. Такой подход дает долгий срок службы гидросистемы, снижает аварийность руля и рабочих органов, и уменьшает операционные затраты на ремонт. В каталоге вы всегда найдете все необходимые запчасти и рекомендации — задавайте вопросы нашим экспертам!

Выберите подходящий способ покупки запчастей и работайте с нами с комфортом!
Способы покупки:
- Оплата на расчетный счет с НДС
Оплата по счету для юридических лиц и ИП.
Реквизиты предоставляются после оформления заказа. - Оплата картой или QR (эквайринг)
Оплата картой через терминал в наших офисах.
Безопасные и мгновенные транзакции. - Рассрочка без переплаты
Условия рассрочки: - Без первоначального взноса - Без переплаты - Срок 3, 4 и 6 месяцев - До 500 000 ₽
Преимущества работы с РУСТЕХ:
- Гарантия на всю продукцию;
- Оперативная доставка в любой регион;
- Любые способы оплаты;
- Подробная консультация и поле продажная поддержка.
Мы предлагаем клиентам различные варианты доставки, чтобы сделать процесс покупки максимально комфортным:
Способы доставки:
- Доставка до транспортной компании
Мы бесплатно доставим ваш заказ до любой выбранной вами транспортной компании — например, «Деловые Линии», СДЭК и другие.
Дальнейшую доставку до вашего адреса осуществляет сама ТК, а вы оплачиваете её услуги.
Это особенно удобно для клиентов из других регионов России и стран СНГ. - Самовывоз в Москве
Вы можете самостоятельно забрать свой заказ по одному из наших адресов в Москве:
— Шоссе Энтузиастов, д. 51
— 32-й км МКАД (внешняя сторона), Автогипермаркет «ТРАКТ», Бокс 29 (1 этаж)
Пожалуйста, уточните готовность вашего заказа перед приездом, чтобы мы смогли быстро вас обслужить. - Курьерская доставка по Москве
Осуществляем доставку в Москве и ближайшем Подмосковье курьером в удобное для вас время.
Стоимость и сроки уточняйте при оформлении заказа.
Оплата курьерских услуг производится вами отдельно. - Яндекс Доставка
Экспресс-доставка, актуальная для Москвы и ближайших районов.
Для подключения этой услуги — свяжитесь с нашей службой поддержки.
Оплата выполняется по тарифам сервиса Яндекс Доставка заказчиком.
Преимущества работы с РУСТЕХ:
- Гарантия на всю продукцию;
- Оперативная доставка в любой регион;
- Любые способы оплаты;
- Подробная консультация и поле продажная поддержка.