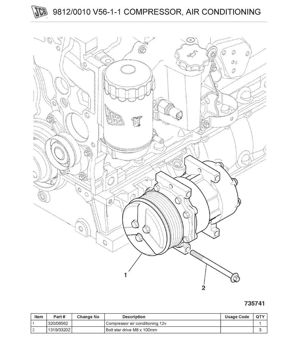
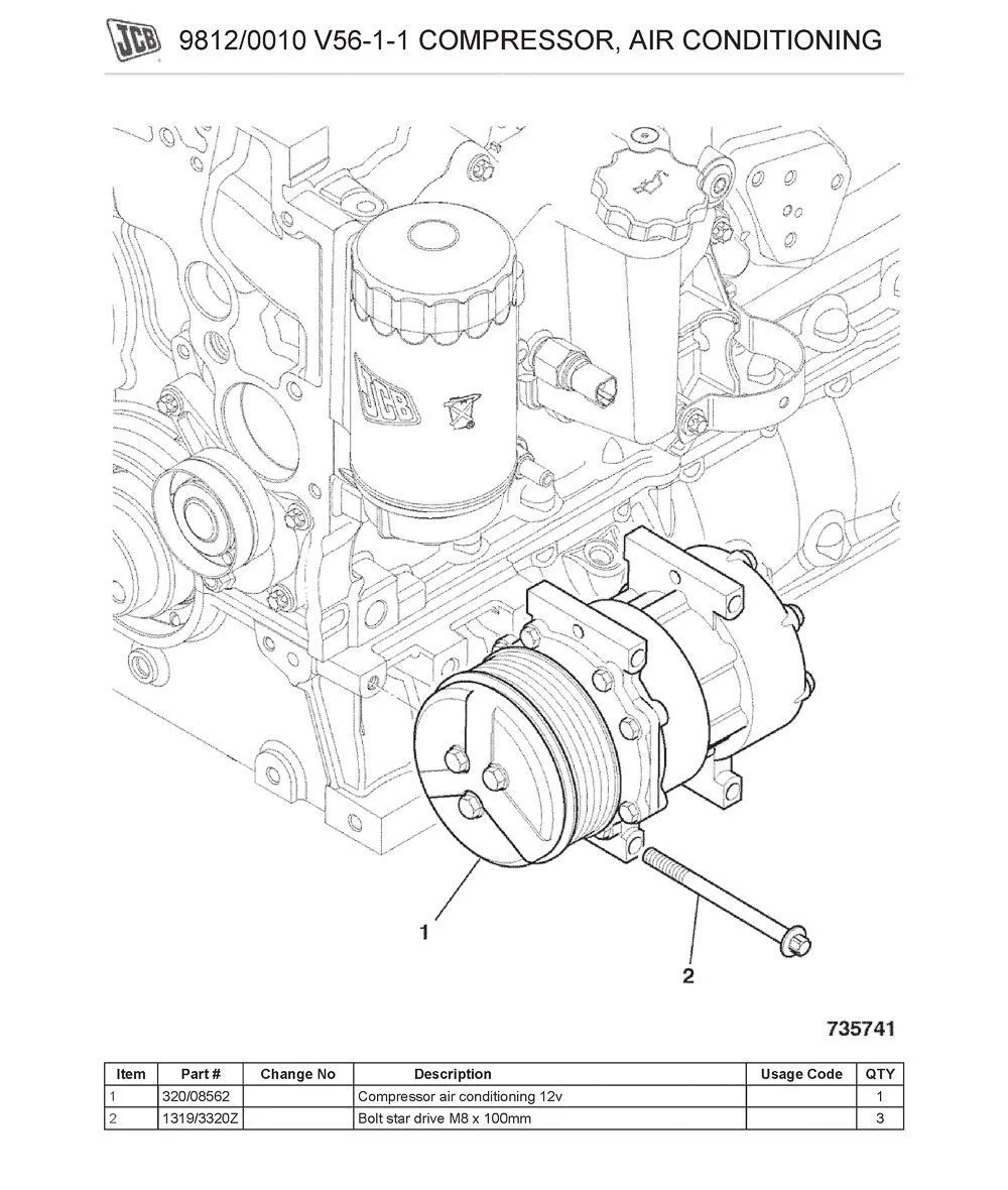
Компрессор кондиционера 320/08562, KCS1206YU, KCS1206GW A
- Без первоначального взноса
- Без переплаты
- Срок 3, 4 и 6 месяцев
- До 500 000 ₽
Компрессор кондиционера JCB 320/08562 — эффективное решение для спецтехники
Описание и назначение
Компрессор кондиционера 320/08562 JCB — оригинальный компонент климатической системы спецтехники JCB (серии 3CX, 4CX и др.), обеспечивающий стабильную и экономичную работу системы охлаждения воздуха в кабине оператора. Деталь предназначена для поддержания оптимального температурного режима, что существенно повышает производительность и комфорт эксплуатации техники в условиях жары, на строительных и сельскохозяйственных объектах.
Компрессор 320/08562 — это центральный элемент системы кондиционирования, отвечающий за циркуляцию и сжатие хладагента. Установка оригинального компрессора JCB — гарантия надежности, совместимости и высокой эффективности узла.
Применяемость: для какой техники подходит
Оригинальный компрессор кондиционера JCB с каталожным номером 320/08562 применяется на популярнейших моделях экскаваторов-погрузчиков JCB, включая серии:
- JCB 3CX
- JCB 4CX
Также совместим с техникой, имеющей соответствующую электросистему и штатную комплектацию кондиционером с бортовой сетью 12V.
Техническое назначение и задачи
Компрессор кондиционера JCB 320/08562:
- Комплектуется в стандартную систему кондиционирования для эффективного охлаждения салона в тяжелых условиях эксплуатации.
- Поддерживает заданную температуру за счет стабильного давления и подачи хладагента по контуру.
- Существенно снижает риск перегрева электронных компонентов и гидравлической системы за счет комфортного микроклимата в кабине.
Основные технические характеристики
Таблицу переведи в простой HTML (таблицу не изменять), если в таблице есть пустые столбики не пиши их. Для таблицы используй эти параметры:| Параметр | Значение |
|---|---|
| Каталожный номер | 320/08562 |
| Описание | Компрессор кондиционера, 12V |
| Напряжение питания | 12V |
| Применяемость | JCB 3CX, 4CX, др. с аналогичной системой |
| Установка | На штатные посадочные места, комплект с болтами |
| Крепеж | Болт звездочка M8 x 100 (кат. № 1319/3320Z) — 3 шт. |
Комплектация и установка
В комплект узла в документации JCB (см. схемы выше) дополнительно входят:
- Болты крепления (1319/3320Z, 3 шт.)
- Возможна совместимость с дополнительными компонентами кондиционирования (ресивер-осушитель 30/925633, кронштейны, трубки и соединители).
Каталожные номера и применяемость (согласно JCB C3-19-2 AIR CONDITIONING, INSTALLATION):
| № в схеме | Заводской номер | Описание | Кол-во |
|---|---|---|---|
| 1 | 320/08562 | Компрессор кондиционера 12V | 1 |
| 2 | 1319/3320Z | Болт крепления М8×100 | 3 |
Дополнительная информация по установке, перечню взаимодействующих элементов и схемы системы присутствуют в руководстве 9812/0010 V56-1-1 и C3-19-2 — для точного подбора и исключения ошибок монтажа.
Особенности и преимущества
- Гарантированная совместимость — полный аналог штатного заводского решения, поставляемого JCB.
- Высокая надежность благодаря оригинальному производству по стандартам JCB.
- Оптимальное энергопотребление для работы от 12V системы.
- Усиленная конструкция для эксплуатации на профессиональной спецтехнике в интенсивных режимах.
Как подобрать компрессор 320/08562 для JCB
Поскольку компрессор кондиционера является важной частью и напрямую влияет на работоспособность всей климатической системы, рекомендуется ориентироваться только на оригинальные артикулы и каталожные номера, указанные в технической документации JCB. Использование несовместимых или аналоговых деталей может привести к некорректной работе кондиционера.
Таблица взаимозаменяемости и взаимосвязанных компонентов (фрагмент):
| Item | Part # | Change No | Description | QTY |
|---|---|---|---|---|
| A | 980/98883 | Kit air conditioner 3CX/4CX | 1 | |
| 1 | 320/08562 |
Compressor air conditioning 12v See V56-1-1 for installation |
1 | |
| 2 | 30/925633 | Drier receiver | 1 | |
| 3 | 821/00264 | Clamp exhaust D=79 | 1 | |
| 4 | 331/46229 | Bracket mounting receiver/drier | 1 | |
| 5 | 649/51768 |
Hose aircon Compressor to condenser |
1 | |
| 6 | 649/51772 |
Hose aircon Compressor to evaporator |
1 | |
| 7 | 649/52104 | <M1337994 |
Hose aircon 1100mm long Condenser to receiver/drier |
1 |
| 7 | 332/D2339 | Hose aircon, 900mm | 1 | |
| 8 | 649/51627 | <M1337994 |
Hose aircon evap-rec/drier Receiver/drier to evaporator |
1 |
| 8 | 332/D2313 | Hose aircon, 2900mm | 1 | |
| 9 | 993/99560 | O Ring No.8 | 2 | |
| 10 | 993/99561 | O Ring No.6 | 4 | |
| 11 | 993/99562 | O Ring No.10 | 1 | |
| 12 | 993/99610 | O Ring No.12 | 1 | |
| 13 | 30/925766 | Condenser | 1 | |
| 14 | 331/48472 | Bracket L.H. | 1 | |
| 15 | 331/48470 | Bracket R.H. | 1 | |
| 16 | 1420/0006Z | Washer Plain | 8 | |
| 17 | 1315/3012Z | Bolt | 8 | |
| 18 | 647/12902 | Guard spiral hose guard, 1000mm long | 2 | |
| 19 | 1420/0007Z | Washer Plain | 18 | |
| 20 | 1315/0307Z | Setscrew | 6 | |
| 21 | 1315/0305Z | Setscrew | 4 | |
| 22 | 821/00214 | Clamp Base | 1 | |
| 23 | 821/00213 | Clamp Top | 1 | |
| 24 | 821/00215 | Insert Clamp | 1 | |
| 25 | 829/00316 | Spacer | 4wvs only | |
| 26 |
'See Remark' See index section C3 for details |
1 | ||
| 27 | **** |
Canister Gas Charge Refrigerant 1.4 kgs per machine approx |
0 | |
| 28 | 9814/0505 | Book fitting instructions | 1 |
Полный перечень — в документации или по запросу у менеджера.
Обратите внимание: Возможно наличие ревизий и изменений каталожных номеров (см. таблицу замен и применяемости в документации JCB). Консультируйтесь у менеджеров РУСТЕХ.



Выберите подходящий способ покупки запчастей и работайте с нами с комфортом!
Способы покупки:
- Оплата на расчетный счет с НДС
Оплата по счету для юридических лиц и ИП.
Реквизиты предоставляются после оформления заказа. - Оплата картой или QR (эквайринг)
Оплата картой через терминал в наших офисах.
Безопасные и мгновенные транзакции. - Рассрочка без переплаты
Условия рассрочки: - Без первоначального взноса - Без переплаты - Срок 3, 4 и 6 месяцев - До 500 000 ₽
Преимущества работы с РУСТЕХ:
- Гарантия на всю продукцию;
- Оперативная доставка в любой регион;
- Любые способы оплаты;
- Подробная консультация и поле продажная поддержка.
Мы предлагаем клиентам различные варианты доставки, чтобы сделать процесс покупки максимально комфортным:
Способы доставки:
- Доставка до транспортной компании
Мы бесплатно доставим ваш заказ до любой выбранной вами транспортной компании — например, «Деловые Линии», СДЭК и другие.
Дальнейшую доставку до вашего адреса осуществляет сама ТК, а вы оплачиваете её услуги.
Это особенно удобно для клиентов из других регионов России и стран СНГ. - Самовывоз в Москве
Вы можете самостоятельно забрать свой заказ по одному из наших адресов в Москве:
— Шоссе Энтузиастов, д. 51
— 32-й км МКАД (внешняя сторона), Автогипермаркет «ТРАКТ», Бокс 29 (1 этаж)
Пожалуйста, уточните готовность вашего заказа перед приездом, чтобы мы смогли быстро вас обслужить. - Курьерская доставка по Москве
Осуществляем доставку в Москве и ближайшем Подмосковье курьером в удобное для вас время.
Стоимость и сроки уточняйте при оформлении заказа.
Оплата курьерских услуг производится вами отдельно. - Яндекс Доставка
Экспресс-доставка, актуальная для Москвы и ближайших районов.
Для подключения этой услуги — свяжитесь с нашей службой поддержки.
Оплата выполняется по тарифам сервиса Яндекс Доставка заказчиком.
Преимущества работы с РУСТЕХ:
- Гарантия на всю продукцию;
- Оперативная доставка в любой регион;
- Любые способы оплаты;
- Подробная консультация и поле продажная поддержка.