Насос гидравлический дополнительный 333/G6161, 333/G5393, 7029110042 PARKER
- Без первоначального взноса
- Без переплаты
- Срок 3, 4 и 6 месяцев
- До 500 000 ₽
Насос гидравлический дополнительный 333/G6161, 333/G5393, 7029110042 PARKER: полный анализ и техническое описание
Назначение и область применения
Насос гидравлический дополнительный 333/G6161, 333/G5393, 7029110042 PARKER является ведущим компонентом гидросистем спецтехники, в частности на машинах JCB. Данный насос обеспечивает стабильное создание и поддержание рабочего давления, необходимого для функционирования дополнительного оборудования, манипуляторов, навесных агрегатов и различных гидроцилиндров. Компактный, но мощный энергоагрегат работает в цепи между двигателем и рабочими органами машины, передавая энергию вращения в потоки масла под давлением.
Конструкция и составные элементы
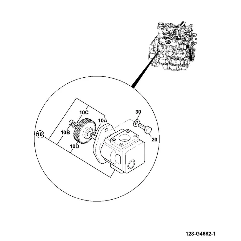
Особенность конструкции этого насоса — высокая механическая надежность головного узла и универсальность системы крепления. На изображении детально отражены основные элементы: ведущая шестерня, стопорные шайбы, установочные болты, а также уплотнения, которые отвечают за герметичность соединения с двигателем. Комплектующая база позволяет быстро производить профилактическое обслуживание или ремонт без демонтажа целого блока.
Типовые обозначения на схеме:
- Корпус насоса с универсальным монтажным фланцем,
- Ведущая механическая шестерня,
- Ключ для передачи вращающего момента,
- Комплект уплотняющих колец для предотвращения утечек масла,
- Крепежные и стопорные элементы для надежной фиксации детали.
Все детали изготовлены на заводах с высокой степенью точности, проходят строгий контроль геометрии и соответствия заявленным допускам.
Плюсы оригинального гидронасоса
Использование оригинальных насосов серии PARKER дает ряд весомых преимуществ:
- Полная совместимость с фирменной техникой, исключение риска преждевременного износа;
- Признанное качество чековых компонентов и уплотнительных элементов;
- Обеспечение необходимой производительности даже при максимальных нагрузках;
- Стабильность при высоких перепадах давления и температуры масла.
Этапы замены и обслуживания: памятка инженера
Правильный монтаж и обслуживание насоса существенно продлевают ресурс гидросистемы техники — для этого критически важно соблюдать заводские инструкции на каждом этапе работ.
Обязательные действия:
- Перед установкой проверить чистоту монтажной зоны на двигателе.
- Оценить состояние ведущей шестерни и уплотнительных колец — недопустимы трещины, задиры, потертости.
- Заменять изношенные о-ринги (20/952075, 320/08009) каждый раз при демонтаже насоса.
- Проверить протяжку крепежа при установке – болты (1315/0509Z) и шайбы (1420/0009Z) должны быть затянуты согласно руководству по эксплуатации.
Перечень функциональных проблем, методы диагностики и устранения поэлементно
| Симптомы | Возможная причина | Решение |
|---|---|---|
| Снижение давления в гидросистеме | Износ шестерни, загрязнение масла, повреждение уплотнителей | Осмотреть зубья ведущей шестерни, заменить или очистить элементы, проверить комплект уплотнений |
| Гидронасос издает шум или “скрежещет” при работе | Попадание посторонних частиц, смещение шпонки или неплотная фиксация | Почистить место монтажа, проверить и заменить ключ (331/39858) и гайку |
| Утечка масла в районе фланцевого крепления | Выход из строя набора уплотнений, слабая затяжка соединения, примятость поверхности | Заменить уплотнительные кольца (20/952075, 320/08009), внимательно затянуть крепеж |
Таблица составных частей с изображения
| Ref | Part No | Description | QTY | Описание |
|---|---|---|---|---|
| A | 332/G6161 | Installation pump 14 ccr | 1 | 332/G6161 Установочный гидронасос (14 ccr) |
| 10 | 332/G6161 | Pump single, gear 14 ccr | 1 | 332/G6161 Шестерёнчатый насос (одинарный, 14 ccr) |
| 10 | 333/G5393 | Pump gear, single 14ccr | 1 | 333/G5393 Шестерёнчатый насос (одинарный, 14 ccr) |
| 10A | 331/39858 | Key | 1 | 331/39858 Шпонка |
| 10B | 331/39856 | Nut lock | 1 | 331/39856 Стопорная гайка |
| 10C | 331/39855 | Washer | 1 | 331/39855 Шайба |
| 10D | 458/50047 | Gear | 1 | 458/50047 Шестерня |
| 10E | 20/952075 | Kit-seal 3 O-rings & 7 seals | 1 | 20/952075 Комплект уплотнений (3 о-ринга и 7 прокладок) |
| 10F | 320/08009 | O Ring | 2 | 320/08009 Уплотнительное кольцо |
| 20 | 1315/0509Z | Setscrew M12 x 35mm | 2 | 1315/0509Z Установочный винт М12×35мм |
| 30 | 1420/0009Z | Washer (M12) | 2 | 1420/0009Z Шайба (М12) |
Чек-лист инженера по операциям с насосом
- Всегда перед установкой тщательно промывать посадочные и резьбовые поверхности.
- При любых следах масла или вибраций — провести внеплановую диагностику и заменить ремкомплект.
- Использовать динамометрический ключ при протяжке болтов.
- Совмещать монтаж новых деталей с профилактической заменой масла.
- Хранить оригинальные компоненты в упаковке до момента монтажа.
- Включить насос и проверить целостность уплотнений при первом запуске.
Вывод и важные рекомендации
Гидравлический дополнительный насос 333/G6161, 333/G5393, 7029110042 PARKER — это ключевой узел для бесперебойной работы гидравлического оборудования спецтехники. Абсолютную надежность гарантирует именно установка оригинальных запчастей и использование заводских комплектующих.
Обращайте внимание на маркировку каждой детали и при необходимости подбора, ремонта или консультации — сотрудничайте только с опытными поставщиками. Оригинальные насосы и компоненты — это залог высокой производительности оборудования, минимальных технологических простоев и максимального срока службы вашей техники.

Выберите подходящий способ покупки запчастей и работайте с нами с комфортом!
Способы покупки:
- Оплата на расчетный счет с НДС
Оплата по счету для юридических лиц и ИП.
Реквизиты предоставляются после оформления заказа. - Оплата картой или QR (эквайринг)
Оплата картой через терминал в наших офисах.
Безопасные и мгновенные транзакции. - Оплата наличными
Принимаем наличные при самовывозе.
Уточните наличие и сумму заказа заранее. - Рассрочка без переплаты
Условия рассрочки: - Без первоначального взноса - Без переплаты - Срок 3, 4 и 6 месяцев - До 500 000 ₽
Преимущества работы с РУСТЕХ:
- Гарантия на всю продукцию;
- Оперативная доставка в любой регион;
- Любые способы оплаты;
- Подробная консультация и поле продажная поддержка.
Мы предлагаем клиентам различные варианты доставки, чтобы сделать процесс покупки максимально комфортным:
Способы доставки:
- Доставка до транспортной компании
Мы бесплатно доставим ваш заказ до любой выбранной вами транспортной компании — например, «Деловые Линии», СДЭК и другие.
Дальнейшую доставку до вашего адреса осуществляет сама ТК, а вы оплачиваете её услуги.
Это особенно удобно для клиентов из других регионов России и стран СНГ. - Самовывоз в Москве
Вы можете самостоятельно забрать свой заказ по одному из наших адресов в Москве:
— Шоссе Энтузиастов, д. 51
— 32-й км МКАД (внешняя сторона), Автогипермаркет «ТРАКТ», Бокс 29 (1 этаж)
Пожалуйста, уточните готовность вашего заказа перед приездом, чтобы мы смогли быстро вас обслужить. - Курьерская доставка по Москве
Осуществляем доставку в Москве и ближайшем Подмосковье курьером в удобное для вас время.
Стоимость и сроки уточняйте при оформлении заказа.
Оплата курьерских услуг производится вами отдельно. - Яндекс Доставка
Экспресс-доставка, актуальная для Москвы и ближайших районов.
Для подключения этой услуги — свяжитесь с нашей службой поддержки.
Оплата выполняется по тарифам сервиса Яндекс Доставка заказчиком.
Преимущества работы с РУСТЕХ:
- Гарантия на всю продукцию;
- Оперативная доставка в любой регион;
- Любые способы оплаты;
- Подробная консультация и поле продажная поддержка.